产品详情

是创新决定了你是领导者还是跟随者
Innovation distinguishes between a leader and a follower.

乔布斯Steven Jobs

D40 微型泵 抽打气泵 活塞泵 大压力 小体积

         40系列是海霖自主研发、精心设计的一款微型活塞泵,兼具抽气和打气功能。采用先进的技术和材料,D40微型活塞泵实现了卓越的泵送效率和稳定性。

         与传统空压机等设备相比,D40微型活塞泵采用微型化设计,适用于空间有限的应用场景。同时利用聚四氟乙烯自润滑特性和高效率无刷直流电机,降低了能源消耗。



峰值流量
平均流量
真空度
供电电压
重量
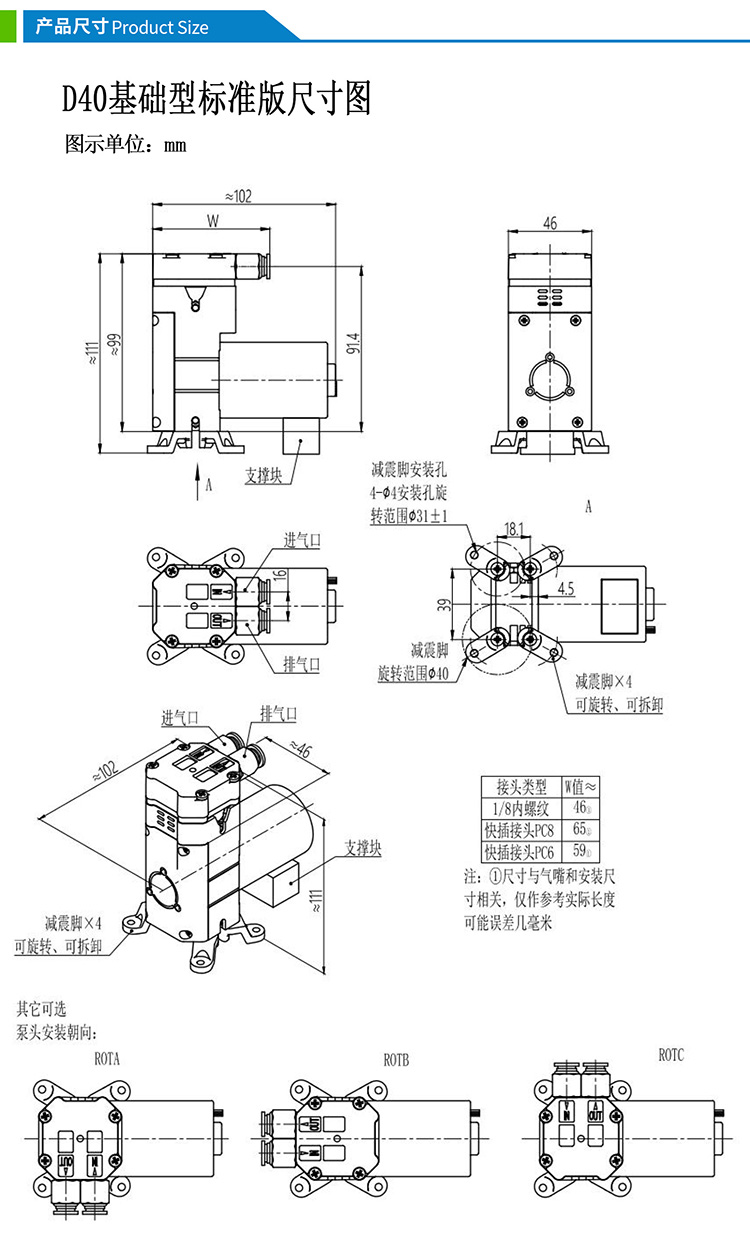
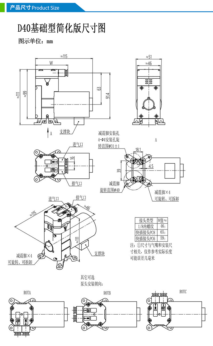
尺寸


在线联系售前工程师

型号太多?没有关系!我们具有丰富的应用经验,可以根据您的技术需求,为您推荐最合适的产品

在线客服拨打电话